您好,欢迎进入泰兴市航宇接插件有限公司网站!

泰兴市航宇接插件有限公司

航空插头一站式提供商

提供设计,生产,安装,培训,售后一条龙服务

15152489668
电连接器—泰兴市航宇接插件有限公司
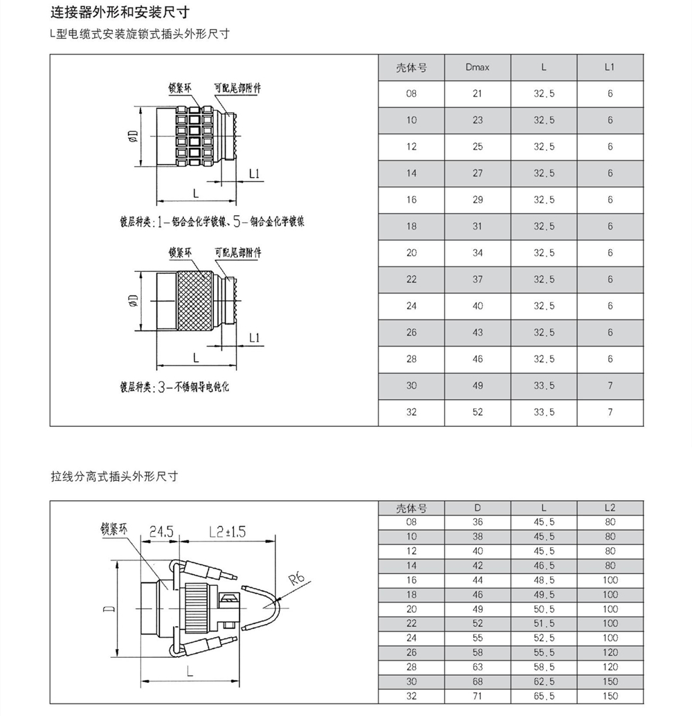
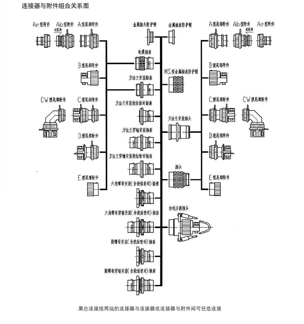
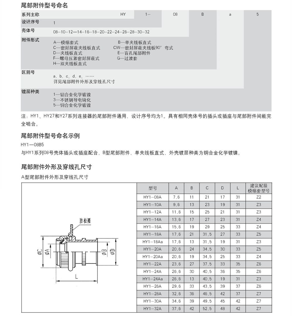
HY1Q、HY1A系列旋锁式耐环境快速分离圆形电连接器
您的位置: 首页 > 产品展示 > HY1Q、HY1A系列旋锁式耐环境快速分离圆形电连接器
HY1Q、HY1A系列旋锁式耐环境快速分离圆形电连接器
发布时间:2021-3-24浏览次数:1560

HY1Q、HY1A系列旋锁式耐环境快速分离圆形电连接器

15152489668